Shelly 3EM-63T Gen3
Un contador de energía compacto con terminales planos diseñado para monitorizar un sistema trifásico o tres circuitos monofásicos independientes. Se integra perfectamente en sistemas de hogar inteligente o configuraciones profesionales, proporcionando datos precisos y en tiempo real para optimizar la eficiencia energética.
Características principales
- Medición en 4 cuadrantes
- Tipos de conexión múltiples: instalaciones trifásicas o monofásicas
- Mediciones de corriente sin contacto mediante transformadores de corriente
- Detección de errores en secuencia de fase (opción)
- Sin umbral de carga
- Indicación óptica de pulsos del consumo de energía
- Reloj en tiempo real: los datos almacenados mantienen las marcas de tiempo correctas incluso si la conexión a internet se interrumpe.
- Registros de datos: hasta 7 días de datos almacenados en el dispositivo para su posterior recuperación
- Clase de precisión B (IEC 62053-21)
- Fotovoltaico listo
Imagen(s) del dispositivo

Identificación de dispositivos
- Nombre:
- Shelly 3EM-63W Gen3 (modelo de cable)
- Shelly 3EM-63T Gen3 (modelo de terminal plano)
- Modelo: S3EM-003CXCEU63
- SSID del dispositivo: Shelly3EM63G3-XXXXXXXXXXXX
- ID modelo BLE: 0x1026
Breve descripción
Shelly 3EM-63 Gen3 (The Device) es un medidor de energía compacto diseñado para monitorizar tanto un sistema trifásico como tres circuitos monofásicos independientes. Puede funcionar de forma independiente en una red Wi-Fi local, o también puede operarse mediante servicios de domótica en la nube mediante MQTT, HTTP y WebSocket. Todas las conexiones entrantes soportan TLS.
El dispositivo informa de energía acumulada, así como de voltaje, corriente, potencia activa y aparente instantáneas por fase en tiempo real. Almacena los datos en memoria no volátil que pueden recuperarse durante un periodo de hasta 7 días en intervalos de 1 minuto.
El dispositivo dispone de un reloj en tiempo real para mantener la hora correcta si se pierde la conexión a un servidor SNTP.
El Dispositivo puede ser accedido, configurado y monitorizado remotamente por el Usuario, así como puede acceder y comunicarse con un sistema de automatización, siempre que estén en la misma infraestructura de red.
El dispositivo dispone de una interfaz web integrada que puede utilizarse para monitorizar y controlar el dispositivo, así como para ajustar sus configuraciones.
Características principales
- Medición en 4 cuadrantes
- Montaje en MCB: por encima o por debajo del interruptor automático
- Tipos de conexión múltiples: instalaciones trifásicas o monofásicas
- Mediciones de corriente sin contacto mediante transformadores de corriente
- Detección de errores en secuencia de fase² (opción)
- Sin umbral de carga³
- Indicación óptica de pulsos del consumo de energía
- Reloj en tiempo real: los datos almacenados mantienen las marcas de tiempo correctas incluso si la conexión a internet se interrumpe.⁴
- Registros de datos: hasta 7 días de datos almacenados en el dispositivo para su posterior recuperación
- Clase de precisión B (IEC 62053-21)
- Fotovoltaico listo
¹ Solo Shelly 3EM-63T Gen3.
² El dispositivo dispone de circuitos de detección de errores de secuencia de fase. Esta detección funciona sobre tensiones de fase y solo considera los cruces de cero. La sucesión regular de estos eventos de cruce de ceros es la Fase A, seguida de la Fase B y luego la Fase C. Si la secuencia de eventos de cruce de ceros es, en cambio, la Fase A seguida de la Fase C seguida de la Fase B, entonces se informa de un error cuando se activa la opción de detección de errores de la secuencia de fase.phase_sequence
³ Si la carga total de los tres canales baja de 30 VA por canal, se mostrará el nivel de potencia medido, pero no se acumulará energía consumida en las estadísticas energéticas y se mostrará una notificación en la interfaz web del dispositivo y en la aplicación móvil.No load threshold
⁴ Los dispositivos Shelly dependen de la conexión a internet para el reloj del dispositivo. En caso de necesidad de red de instalación o interrupción del servicio, el reloj incorporado proporciona marcas de tiempo correctas para los registros.
Casos de uso
- Monitorización del consumo eléctrico: Controla el consumo de tus electrodomésticos en tiempo real. Esta información puede ser valiosa para comprender los patrones de consumo energético y tomar decisiones informadas para reducir el consumo.
- Optimización de la eficiencia energética: Identificar patrones de consumo energético eléctrico y optimizar el consumo eléctrico.
- Revisión del estado del electrodoméstico: Monitoriza el consumo de energía de cada aparato para evaluar su estado y rendimiento a lo largo del tiempo. Picos repentinos o cambios en el consumo de energía pueden indicar problemas con el aparato.
- Gestión de costes: Comprender tu consumo energético es clave para gestionar tus gastos eléctricos. Con Shelly 3EM-63 Gen3, puedes estimar el coste de operar dispositivos específicos, lo que te permite tomar decisiones informadas y reducir tus facturas de energía.
- Instalación eficiente en espacio: Ahorra espacio montando el contador de energía inteligente justo encima o debajo de un interruptor automático montado en raíles DIN.
- Monitorización remota: Shelly 3EM-63 Gen3 permite publicar datos en Shelly Cloud u otros sistemas de recogida y almacenamiento de datos basados en la nube. Esto te permite controlar el consumo de energía incluso cuando estás fuera de casa.
- Monitorización local: Shelly 3EM-63 Gen3, al igual que los demás dispositivos Wi-Fi de Shelly, ofrece monitorización y automatización solo local. Puedes acceder directamente a los registros almacenados de consumo energético desde la interfaz web del dispositivo, lo que facilita el seguimiento de tu consumo energético. También puedes configurar automatizaciones locales basadas en el consumo instantáneo de energía o en el consumo energético durante un periodo de tiempo.
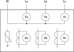
Esquemas internos simplificados

Interfaces eléctricas de dispositivos
3 entradas en vivo: LA, LB, LC
Terminales planos para Shelly 3EM-63T Gen3
Cables codificados por colores para Shelly 3EM-63W Gen3
1 Cable de entrada neutro: N
Conectividad
- Wi-Fi
- Bluetooth
Función de seguridad
- Detección y reporte interno de temperatura
Tipos de carga soportados
- Resistiva (bombillas incandescentes, dispositivos de calefacción)
- Capacitiva (bancos de condensadores, equipos electrónicos, condensadores de arranque de motor)
- Inductivo (drivers de luz LED, transformadores, ventiladores, frigoríficos, aires acondicionados)
Interfaz de usuario
Entradas
Un botón táctil de cúpula
Mantén pulsado y mantén pulsado durante 5 segundos para activar el punto de acceso del dispositivo.
Pulsa y mantén pulsado durante 10 segundos para reiniciar de fábrica.
Salidas
Indicación LED
Wi-Fi (varía):
Luz azul si está en modo AP.
Luz roja si está en modo STA y no está conectado a una red Wi-Fi.
Luz amarilla si está en modo STA y conectado a una red Wi-Fi. No conectado a Shelly Cloud ni Shelly Cloud desactivado.
Luz verde si está en modo STA y conectado a una red Wi-Fi y a la nube Shelly.
El LED parpadeará en rojo/azul si hay una actualización OTA en curso.
Cuenta: La luz roja parpadeará cuando el dispositivo mida energía según los ajustes con la frecuencia dependiente de la energía que fluye por el circuito medido.
Especificaciones
| Cantidad | Valor |
| Físico | |
| Tamaño (HxWxP): |
|
| Longitud de los cables: | 260 mm (incluyendo el terminal plano) |
| Peso: |
|
| Apertura del conductor: | Ø8 mm / Ø0,3 in |
| Montaje: | Por encima o por debajo de los interruptores automáticos montados en raíles DIN |
| Material de la carcasa: | Plástico |
| Color de la cáscara: | Blanco |
| Medio ambiente | |
| Temperatura ambiente de trabajo: | -20 °C a 40 °C / -5 °F a 105 °F |
| Humedad: | Del 30 % al 70 % de HR |
| Altitud máxima: | 2000 m / 6562 pies |
| Eléctrico | |
| Fuente de alimentación: | 220-240 V~ 50/60 Hz (entre LA y N) |
| Consumo energético: | < 2 W |
| Protección externa: | 63 A, característica de disparo B o C,6 kA clasificación de interrupción, Clase límite de energía 3 |
| Sensores, medidores | |
| Sensor de temperatura interna: | Sí |
| Voltímetros (RMS para cada fase): | 220-240 V~ 50/60 Hz |
| Precisión de los voltímetros: | mejor que ±1% |
| Amperímetros (RMS mediante TC integrado para cada fase): | 0 – 63 A (saturación de 130 A) |
| Precisión de los amperímetros: | ±1 % (2 – 63 A), ±2 % (1 – 2 A), ±5 % (0 – 1 A) |
| Medidores de potencia y energía: |
|
| Sin umbral de carga: | 30 VA |
| Almacenamiento de datos de medición: | Al menos 7 días con resolución de datos en 1 minuto |
| Exportación de datos: |
|
| Radio | |
| Wi-Fi | |
| Protocolo: | 802.11 b/g/n |
| Banda RF: | 2401 – 2483 MHz |
| Potencia máxima de RF: | < 20 dBm |
| Rango: | Hasta 30 m / 100 ft en interior y 50 m / 160 ft al aire libre (depende de las condiciones locales) |
| Bluetooth | |
| Protocolo: | 4.2 |
| Banda RF: | 2400 – 2483,5 MHz |
| Potencia máxima de RF: | < 4 dBm |
| Rango: | Hasta 10 m / 33 pies en interiores y 30 m / 100 pies al aire libre (depende de las condiciones locales) |
| Unidad de microcontrolador | |
| CPU: | ESP-Shelly-C38F |
| Flash: | 8 MB |
| Capacidades del firmware | |
| Horarios: | 20 |
| Webhooks (acciones de URL): | 20 con 5 URLs por gancho |
| Guion: | Sí |
| MQTT: | Sí |















Valoraciones
No hay valoraciones aún.